PRECIOS EXCLUSIVOS EN TIENDA ONLINE
Menu
-
MenuAtrás
- INICIO
-
MOTOR
-
-
Parte alta
- Cadenas, tensores y patines distribución
- Cilindros motores 2 tiempos
- Cilindros motores 4 tiempos
- Culatas y accesorios
- Juntas cilindro y culata tipo original
- Kits cilindros Racing
- Kits de juntas cilindro Racing Scooter
- Pistones y segmentos 2 tiempos
- Pistones y segmentos 4 tiempos
- Tornillos, espárragos y tuercas especiales
- Válvulas admisión y escape
-
-
-
ADMISIÓN
- Bombas de combustible
- Bombas y piñones de aceite
- Cajas, juntas y láminas de admisión
- Carburadores motores 2 tiempos
- Carburadores motores 4 tiempos
- Depósitos y aforadores
- Filtros de aire
- Filtros de combustible
- Grifos gasolina y aceite
- Inyectores
- Recambios y accesorios carburador
- Toberas admisión
- Tubo combustible
-
-
-
TRANSMISIÓN
- Cadenas y eslabones
- Campanas de embrague
- Coronas y piñones
- Correas variador
- Discos, separadores y muelles de embrague
- Embragues centrífugos deportivos
- Embragues centrífugos tipo original
- Guias variador
- Kits de piñón, cadena y corona
- Muelle central embrague
- Muelles embrague
- Poleas embrague
- Recambios varios transmisión
- Recambios varios variador
- Rodillos variador
- Semipoleas fijas variador
- Tapas, ejes y piñones transmisión
- Variadores deportivos
- Variadores tipo original
-
-
-
CHASIS
-
-
Recambios varios chasis
- Adaptadores y complementos de espejos
- Asientos, sillines y recambios
- Caballetes, muelles y soportes
- Cables, prisioneros y tensores
- Carcasas y guardabarros
- Carenados completos
- Catadióptricos y reflectores
- Componentes en goma
- Espejos tipo original y universales
- Estriberas y recambios
- Mandos de gas, cambio y freno
- Protectores y embellecedores
- Reenvios y piñones cuenta Km
- Rodamientos y retenes de rueda, basculante y trapecio
- Silentblock y soportes motor
- Tapones gasolina y aceite
- Tornillería, grapas, terminales y abrazaderas,
- Transmisiones cuenta Km
- Transmisiones de gas, cambio, freno y aire
-
-
-
-
parte ciclo
-
-
-
Eléctrico
-
-
-
-
VARIOS ELÉCTRICO
-
-
Reguladores, stators y CDI
-
-
-
Consumibles
-
-
banner_aceites
-
-
banner_filtros
-
-
-
banner_batería_bujias
-
-
Accesorios
-
-
Piaggio
-
-
VESPA CLÁSICA
-
-
Carrocería y chasis Vespa
- Accesorios varios Vespa
- Amortiguadores y suspensión Vespa
- Anagramas y calcas Vespa
- Caballetes y accesorios Vespa
- Cerraduras y bombines Vespa
- Componentes de frenado Vespa
- Componentes en goma Vespa
- Dirección y horquilla Vespa
- Ejes motor y rueda Vespa
- Espejos y accesorios Vespa
- Faros, intermitentes y pilotos Vespa
- Guardabarros, carcasas y tapas Vespa
- LLantas, cubiertas y varios Vespa
- Protectores y embellecedores Vespa
- Recambios varios chasis Vespa
- Relojes y piñones cuenta Km Vespa
- Transmisiones y accesorios Vespa
-
-
-
Recambios motor Vespa
- Arranque y puesta en marcha Vespa
- Carburadores y despiece Vespa
- Cigueñales y bielas Vespa
- Cilindros y equipos Vespa
- Cojinetes, jaulas y retenes Vespa
- Componentes eléctricos Vespa
- Depósitos, grifos y tapones Vespa
- Embragues, transmisión y cambio Vespa
- Escapes y accesorios Vespa
- Filtros, fuelles y varios admisión Vespa
- Juntas de motor y varias Vespa
- Pistones y segmentos Vespa
- Recambios varios motor Vespa
-
-
-
vespa
-
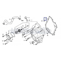
Junta tapa encendido Honda SH 300I de 2007 a 2017
Referencia original Honda 11394-KTW-901
Referencia:100690092
Categoría:
Juntas tapas encendido y bomba de agua
9,75 €
¡Precio exclusivo SOLO WEB!
Compatible con:
Marca Modelo CC Años Bastidor
HONDA SH 300 A I ABS 300 2007/2010 NF02B
HONDA SH 300 A I ABS 300 2011/2017 NF02D
HONDA SH 300 I 300 2008/2010 NF02A
Datos:
Mas productos: Juntas tapas encendido y bomba de agua |



















